企業博客
更多>>Geyer精密之芯KX-327FT晶振的科技發展
來源:http://www.dl-zp.cn 作者:康比電子 2025年09月17
精密之芯:KX-327FT晶振的科技力量
在數字化浪潮席卷全球的今天,無數精密電子設備如同現代社會的“神經末梢”,支撐著工業生產、網絡通信與科學測量的正常運轉.而在這些設備的核心處,丹麥格耶Geyer晶振品牌的KX-327FT型號晶振,正以毫米級的身軀,詮釋著“小元件大作用”的科技真諦.
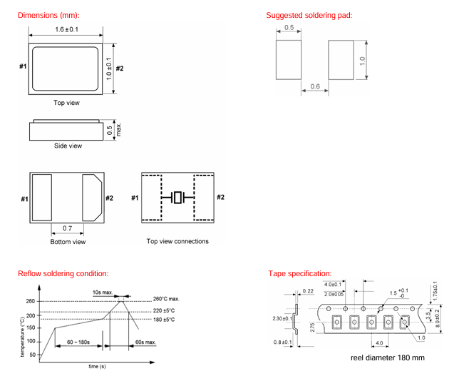
這款晶振的卓越之處,首先體現在極致精密的參數設計上.其封裝尺寸僅為1.6x1.0x0.5毫米,如同指尖的微塵,卻能在有限空間內穩定輸出32.768KHz的精準頻率.9PF的負載電容與10PP的頻率偏差,確保了信號傳輸的穩定可靠;-40℃至85℃的寬溫工作范圍,更是讓它能從容應對工業環境中的極端溫差.更值得稱道的是,它達到了濕度敏感等級MSL1,即便在潮濕環境中也能保持性能穩定,這種“不畏嚴苛”的特性,恰是工業設備對核心元件的核心要求.


從應用場景來看,KX-327FT晶振堪稱“多面手”.在工業應用領域,它為自動化生產線的控制系統提供精準時鐘信號,確保機械臂運轉、傳感器數據采集的同步性;在嵌入式網絡設備中,它穩定的頻率輸出保障了數據傳輸的準確性,避免因信號波動導致的網絡卡頓;石英晶振而在測試和測量儀器里,它更是“精度擔當”,為示波器、頻率計數器等設備提供基準頻率,讓科研人員獲得可靠的實驗數據.小到手機、計算機的日常運行,大到航空航天設備的精密控制,都離不開這類石英晶體的支撐——它如同電子設備的“心臟”,以穩定的“跳動”維系著整個系統的正常運作.
丹麥格耶Geyer品牌將匠心融入KX-327FT進口晶振的每一個細節,用極致的精度與可靠性,證明了“小元件”也能承載“大科技”.在追求高效、精準的現代社會,這樣的精密元件不僅是科技進步的縮影,更是推動各行業高質量發展的堅實基礎.
正在載入評論數據...
此文關鍵字: 無源晶振
相關資訊
- [2025-09-17]Geyer精密之芯KX-327FT晶振的科...
- [2025-07-04]Greenray晶振T90系列TCXO發揮著...
- [2024-05-24]Silicon Labs無線物聯網解決方案...
- [2024-05-22]ConnorWinfield晶振125系列振蕩...
- [2024-05-21]Suntsu影響電子元件成本的關鍵因...
- [2024-04-22]米利倫GPSDO振蕩器可作為堅固的...
- [2024-04-19]QuartzCom提供廣泛的VCTCXO振蕩...
- [2024-04-17]彼得曼M1610-32.768kHz-20ppm-1...





