康比電子roducts
國產晶振
臺產晶振
進口晶振
- 日本大真空晶振
- 愛普生晶振
- 精工晶振
- 西鐵城晶振
- 村田晶振
- 進口KSS晶振
- NDK晶振
- 大河石英晶振
- 美國CTS晶振
- 微晶晶振
- Abracon晶振
- ECS晶振
- Golledge晶振
- IDT晶振
- Jauch晶振
- Pletronics晶振
- 拉隆晶振
- SiTime晶振
- Statek晶振
- 格林雷晶振
- 康納溫菲爾德晶振
- 日蝕晶振
- 瑞康晶振
- 維管晶振
- AEK晶振
- AEL晶振
- Cardinal晶振
- Crystek晶振
- Euroquartz晶振
- FOX晶振
- Frequency晶振
- Geyer晶振
- KVG晶振
- ILSI晶振
- MERCURY晶振
- MMDCOMP晶振
- MtronPTI晶振
- QANTEK晶振
- QuartzCom晶振
- Quarztechnik晶振
- Suntsu晶振
- Transko晶振
- Wi2Wi晶振
- Fujicom晶振
- Interquip晶振
- ITTI晶振
- Lihom晶振
- MTI晶振
- NAKA晶振
- Oscilent晶振
- PDI晶振
- Rubyquartz晶振
- Shinsung晶振
- SMI晶振
- CTECH晶振
- IQD晶振
- Microchip晶振
- NJR晶振
- Silicon晶振
- Anderson晶振
- Fortiming晶振
- CORE晶振
- NIPPON晶振
- NICKC晶振
- QVS晶振
- Bomar晶振
- Bliley晶振
- GED晶振
- FILTRONETICS晶振
- STD晶振
- Q-Tech晶振
- Wenzel晶振
- NEL晶振
- EM晶振
- PETERMANN晶振
- FCD-Tech晶振
- HEC晶振
- FMI晶振
- Macrobizes晶振
- AXTAL晶振
- Sunny晶振
- 瑞薩Renesas晶振
- SKYWORKS晶振
車載電子
數碼電子
智能家居
時計產品
無線網絡
智能穿戴
醫療器械
無人機
0755-27876201
常見問題
更多>>

Transko晶振,2X6-32.768K-7晶振,插件晶振,插件石英晶振最適合用于比較低端的電子產品,比如兒童玩具,普通家用電器,即使在汽車電子領域中也能使產品高可靠性的使用.并且可用于安全控制裝置的CPU時鐘信號發生源部分,好比時鐘單片機上的石英晶振,在極端嚴酷的環境條件下,晶振也能正常工作,具有穩定的起振特性,高耐熱性,耐熱循環性和耐振性等的高可靠性能.
Transko晶振集團是一家位于加利福尼亞州阿納海姆的通過ISO 9001認證的變頻控制設備解決方案供應商,專業生產石英晶振,貼片晶振,有源晶振,壓控晶振,濾波器等頻率元件.通過質量和經驗,自1992年以來,其他許多其他產品我們得到了援助.
讓我們與眾不同的是Transko Advantage –具有快速交付能力。能夠在72小時內提供產品,高度積極的銷售人員為您的頻率控制要求提供優異的定價和解決方案。通過結合杰出員工的知識和廣泛背景,能夠解決和定制您的特定項目或設計需求。Transko團隊導向的環境和高效的生產人員不斷讓我們的客戶滿意,并使我們能夠提供最好的支持。
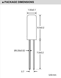
ransko晶振是美國知名頻率元件制造商之一,英文全稱為Transko Electronics.Inc.特蘭斯科晶振致力于為用戶提供高品質晶振產品,以及提供優質的服務,完美的技術支持,其中最出色的產品要數溫補晶振,SMD晶振等,并以超額銷量成為暢銷榜排行前十.Transko晶振,2X6-32.768K-7晶振,插件晶振.
.jpg)
| SPECIFICATION-Transko晶振 | 2*6晶振 |
| FREQUENCY RANGE | STD: 32.768kHz (30kHz ~ 360kHz available) |
| FREQUENCY TOLERANCE @ 25ºC | ±20ppm |
| TEMPERATURE COEFFICIENT | -0.034ppm ±0.006ppm / °C 2 typ. |
| OPERATING TEMPERATURE RANGE | -20°C ~ 70°C |
| STORAGE TEMPERATURE RANGE | -55°C ~ 125°C |
| LOAD CAPACITANCE | STD: 12.5pF (See P/N guide for other options) |
| SHUNT CAPACITANCE | 1.35pF typ. |
| MOTIONAL CAPACITANCE | 0.003pF typ. |
| CAPACITANCE RATIO | 460 typ. |
| EQUIVALENT SERIES RESISTANCE | 40kΩ max. |
| INSULATION RESISTANCE | 500MΩ min. @ 100V DC ±15V DC |
| DRIVE LEVEL | 1.0µW max. |
| AGING @ 25°C ± 3°C | ±5.0ppm / 1 st year max. |
.jpg)

PCB設計指導(1) 理想情況下,機械蜂鳴器應安裝在一個獨立于石英晶體器件的PCB板上。如果您安裝在同一個PCB板上,最好使用余量或切割PCB。當應用于PCB板本身或PCB板體內部時,機械振動程度有所不同。建議遵照內部板體特性。
(2) 在設計時請參考相應的推薦封裝。
(3) 在使用焊料助焊劑時,按JIS標準(JISC 60068-2-20/IEC60,068-2-20).來使用。
(4) 請按JIS標準(JIS Z 3282, Pb 含量 1000ppm, 0.1wt% 或更少)來使用無鉛焊料。
存儲事項
(1) 在更高或更低溫度或高濕度環境下長時間保存晶振時,會影響頻率穩定性或焊接性。請在正常溫度和濕度環境下保存這些石英晶振產品,并在開封后盡可能進行安裝,以免長期儲藏。
正常溫度和濕度:
溫度:+15°C 至 +35°C,濕度 25 % RH 至 85 % RH(請參閱“測試點JISC60068-1/IEC60068-1的標準條件”章節內容)。
(2) 請仔細處理內外盒與卷帶。外部壓力會導致卷帶受到損壞。Transko晶振,2X6-32.768K-7晶振,插件晶振.

1、技術支持:全方位技術指導,專業的技術支持讓您感受到前所未有的后顧無憂.
2、客服咨詢:專業的銷售團隊,耐心為您解答任何疑問,讓您的消費得到保障.
3、質量保證,誠信為本,上我司以“以科技為動力,以質量求生存,”為理念.
4、提升業績,降低成本為您的產品量身訂制,免費取樣,為您做到低成本,高效率.

康比電子聯系方式:
Q Q: 577541227
電 話:0755-27876201
手 機: 13728742863
Email: kangbidz@163.com
網 址: http://www.dl-zp.cn/
地 址: 廣東省深圳市寶安區41區33棟6層






