康比電子roducts
國產晶振
臺產晶振
進口晶振
- 日本大真空晶振
- 愛普生晶振
- 精工晶振
- 西鐵城晶振
- 村田晶振
- 進口KSS晶振
- NDK晶振
- 大河石英晶振
- 美國CTS晶振
- 微晶晶振
- Abracon晶振
- ECS晶振
- Golledge晶振
- IDT晶振
- Jauch晶振
- Pletronics晶振
- 拉隆晶振
- SiTime晶振
- Statek晶振
- 格林雷晶振
- 康納溫菲爾德晶振
- 日蝕晶振
- 瑞康晶振
- 維管晶振
- AEK晶振
- AEL晶振
- Cardinal晶振
- Crystek晶振
- Euroquartz晶振
- FOX晶振
- Frequency晶振
- Geyer晶振
- KVG晶振
- ILSI晶振
- MERCURY晶振
- MMDCOMP晶振
- MtronPTI晶振
- QANTEK晶振
- QuartzCom晶振
- Quarztechnik晶振
- Suntsu晶振
- Transko晶振
- Wi2Wi晶振
- Fujicom晶振
- Interquip晶振
- ITTI晶振
- Lihom晶振
- MTI晶振
- NAKA晶振
- Oscilent晶振
- PDI晶振
- Rubyquartz晶振
- Shinsung晶振
- SMI晶振
- CTECH晶振
- IQD晶振
- Microchip晶振
- NJR晶振
- Silicon晶振
- Anderson晶振
- Fortiming晶振
- CORE晶振
- NIPPON晶振
- NICKC晶振
- QVS晶振
- Bomar晶振
- Bliley晶振
- GED晶振
- FILTRONETICS晶振
- STD晶振
- Q-Tech晶振
- Wenzel晶振
- NEL晶振
- EM晶振
- PETERMANN晶振
- FCD-Tech晶振
- HEC晶振
- FMI晶振
- Macrobizes晶振
- AXTAL晶振
- Sunny晶振
- 瑞薩Renesas晶振
- SKYWORKS晶振
車載電子
數碼電子
智能家居
時計產品
無線網絡
智能穿戴
醫療器械
無人機
0755-27876201
常見問題
更多>>.jpg)
.jpg)
NKG高性能晶振,S3M60.0000F18E23-EXT,USB內存設備6G晶振,S3M54.0000T18M1Z-EXT,車載控制器晶振,香港NKG晶振,型號S3M系列,編碼為:S3M60.0000F18E23-EXT,頻率為:60.000MHz,小體積晶振尺寸:3.2x2.5x0.7mm,四腳貼片晶振,石英貼片晶振,石英晶體諧振器,無源晶振,無鉛環保晶振,具有超小型,輕薄型,優異的耐熱性和抗沖擊性。由于真空密封,可靠性高,老化率低。汽車級產品符合AEC-Q200標準。S3M系列石英晶體諧振器應用于:無線,藍牙,Mobil通信,小型便攜式設備,USB內存設備,智能手機,汽車電子設備,平板電腦,可穿戴設備,數碼電子應用等。
.jpg)
NKG高性能晶振,S3M60.0000F18E23-EXT,USB內存設備6G晶振,S3M54.0000T18M1Z-EXT,車載控制器晶振,參數表
| Parameter | Symbol | Specifications | Remarks | |||||||
| Frequency range | FN | 60.000MHz |
Fundamental up to 60MHz Overtone above 54MHz |
|||||||
| Cut and operation mode | — | AT-Cut / FUND or 3rd OT | ||||||||
| Frequency tolerance | Δf/f | ±10ppm, ±20ppm, ±30ppm, ±50ppm | Other options available | |||||||
| Stability over operating temp. | TC | ±10ppm, ±25ppm, ±50ppm, ±100ppm |
Depending on operating temperature range, other options available |
|||||||
| Operating temperature range | TOP |
– 20°C ~+70°C or –40°C ~+85°C up to –40°C ~ +125°C |
Options available | |||||||
| Load capacitance | CL | 6 to 32pF or SERIES | Please specify load capacitance | |||||||
|
Equivalent series resistance |
ESR |
500Ω MAX 100Ω ~ 80Ω MAX 80Ω ~ 60Ω MAX 60Ω ~ 50Ω MAX 50Ω ~ 40Ω MAX 40Ω ~ 30Ω MAX 100Ω MAX |
FUND mode FUND mode FUND mode FUND mode FUND mode FUND mode 3rd OT mode |
8.000MHz 12 ~ 13MHz 13 ~ 16MHz 16 ~ 20MHz 20 ~ 26MHz 27 ~ 60MHz 54 ~120MHz |
||||||
| Drive level | DL | 50µW TYP, 200µW MAX | — | |||||||
| Aging first year | Δf/y1 | ±3ppm | @+25°C | |||||||
.jpg)
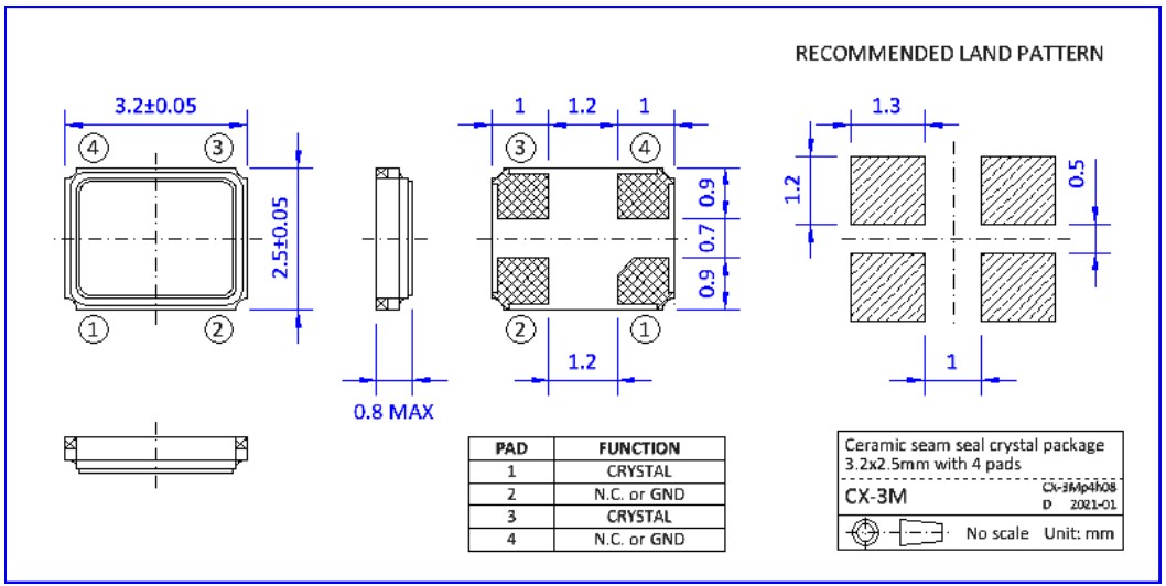
NKG高性能晶振,S3M60.0000F18E23-EXT,USB內存設備6G晶振,S3M54.0000T18M1Z-EXT,車載控制器晶振,尺寸圖
NKG高性能晶振,S3M60.0000F18E23-EXT,USB內存設備6G晶振,S3M54.0000T18M1Z-EXT,車載控制器晶振
環境合規信息:
符合RoHS 6/6(指令2011/65/EC)和無鉛
符合RoHS 2/3(指令2015/863)(也稱為RoHS 10)
根據IEC 61249-2-21 2033的定義,不含鹵素
根據REACH,目前未連續使用SVHC
在委員會發布新版本時進行監測和更新
貼片晶振產品不含任何鄰苯二甲酸酯(PH)
產品不含聚氯乙烯
產品不含全氟辛烷磺酸/全氟辛烷酸,也不用于制造該產品的成分
濕度敏感度等級(MSL)1,符合J-STD-020C



1、技術支持:全方位技術指導,專業的技術支持讓您感受到前所未有的后顧無憂.
2、客服咨詢:專業的銷售團隊,耐心為您解答任何疑問,讓您的消費得到保障.
3、質量保證,誠信為本,上我司以“以科技為動力,以質量求生存,”為理念.
4、提升業績,降低成本為您的產品量身訂制,免費取樣,為您做到低成本,高效率.
3、質量保證,誠信為本,上我司以“以科技為動力,以質量求生存,”為理念.
4、提升業績,降低成本為您的產品量身訂制,免費取樣,為您做到低成本,高效率.

康比電子聯系方式:
Q Q: 577541227
電 話:0755-27876201
手 機: 13728742863
Email: kangbidz@163.com
網 址: http://www.dl-zp.cn/
地 址: 廣東省深圳市寶安區41區33棟6層
Q Q: 577541227
電 話:0755-27876201
手 機: 13728742863
Email: kangbidz@163.com
網 址: http://www.dl-zp.cn/
地 址: 廣東省深圳市寶安區41區33棟6層










