康比電子roducts
國產晶振
臺產晶振
進口晶振
- 日本大真空晶振
- 愛普生晶振
- 精工晶振
- 西鐵城晶振
- 村田晶振
- 進口KSS晶振
- NDK晶振
- 大河石英晶振
- 美國CTS晶振
- 微晶晶振
- Abracon晶振
- ECS晶振
- Golledge晶振
- IDT晶振
- Jauch晶振
- Pletronics晶振
- 拉隆晶振
- SiTime晶振
- Statek晶振
- 格林雷晶振
- 康納溫菲爾德晶振
- 日蝕晶振
- 瑞康晶振
- 維管晶振
- AEK晶振
- AEL晶振
- Cardinal晶振
- Crystek晶振
- Euroquartz晶振
- FOX晶振
- Frequency晶振
- Geyer晶振
- KVG晶振
- ILSI晶振
- MERCURY晶振
- MMDCOMP晶振
- MtronPTI晶振
- QANTEK晶振
- QuartzCom晶振
- Quarztechnik晶振
- Suntsu晶振
- Transko晶振
- Wi2Wi晶振
- Fujicom晶振
- Interquip晶振
- ITTI晶振
- Lihom晶振
- MTI晶振
- NAKA晶振
- Oscilent晶振
- PDI晶振
- Rubyquartz晶振
- Shinsung晶振
- SMI晶振
- CTECH晶振
- IQD晶振
- Microchip晶振
- NJR晶振
- Silicon晶振
- Anderson晶振
- Fortiming晶振
- CORE晶振
- NIPPON晶振
- NICKC晶振
- QVS晶振
- Bomar晶振
- Bliley晶振
- GED晶振
- FILTRONETICS晶振
- STD晶振
- Q-Tech晶振
- Wenzel晶振
- NEL晶振
- EM晶振
- PETERMANN晶振
- FCD-Tech晶振
- HEC晶振
- FMI晶振
- Macrobizes晶振
- AXTAL晶振
- Sunny晶振
- 瑞薩Renesas晶振
- SKYWORKS晶振
車載電子
數碼電子
智能家居
時計產品
無線網絡
智能穿戴
醫療器械
無人機
0755-27876201
常見問題
更多>>.jpg)
.jpg)
艾爾2016mm晶振,ELM11-16.000MHz-D7X-T,智能穿戴設備晶振,英國進口晶振,AEL晶振,艾爾晶振,型號:ELM11晶振,編碼為:ELM11-16.000MHz-D7X-T,頻率為:16.000MHz,小體積晶振尺寸:2.0x1.6mm封裝,四腳貼片晶振,石英晶振,無源晶振,SMD石英晶體,石英晶體諧振器,無鉛環保晶振,工作溫度范圍:-40℃至+85℃。具有超小型,輕薄型,高精度,高性能,高品質,耐熱及耐環境等特點。進口晶振,被廣泛應用于:通訊設備,無線網絡,藍牙模塊,智能穿戴設備,車載控制器,平板電腦,智能手機,智能家居,物聯網,游戲機設備,安防設備等應用。
.jpg)
艾爾2016mm晶振,ELM11-16.000MHz-D7X-T,智能穿戴設備晶振,參數表
| STANDARD SPECIFICATIONS | |||||||||||||
| PARAMETERS | MAX (Unless otherwise noted) | ||||||||||||
| Frequency Range | 16.000 MHz | ||||||||||||
| Operation Mode | Fundamental | ||||||||||||
| Operating Temperature | -10°C to +60°C, see options | ||||||||||||
| Storage Temperature | -40°C to +85°C | ||||||||||||
| Frequency Tolerance @ 25°C | ± 30PPM, see options | ||||||||||||
|
Frequency Stability over the Operating Temperature (ref. to +25°C) |
± 50PPM, see options | ||||||||||||
|
Equivalent Series Resistance (ESR) 16.000 ≤ F < 17.999 (Fund) 18.000 ≤ F < 20.999 (Fund) 21.000 ≤ F < 29.999 (Fund) 30.000 ≤ F ≤ 37.999 (Fund) 38.000 ≤ F ≤ 50.000 (Fund) |
150Ω 120Ω 100Ω 80Ω 60Ω |
||||||||||||
| Shunt Capacitance (C0) | 7.0 pF | ||||||||||||
| Load Capacitance (CL) | 10 pF, Standard (see options if other than STD) | ||||||||||||
| Drive Level |
10 μW Typ 100 μW |
||||||||||||
| Aging (@25°C±3°C First year ) | ±5ppm | ||||||||||||
| Insulation Resistance@ 100Vdc ± 15V | 500 MOhms | ||||||||||||
| RoHS Compliant | Yes | ||||||||||||
| Pb Free | Yes | ||||||||||||
| MSL | N/A | ||||||||||||
.jpg)
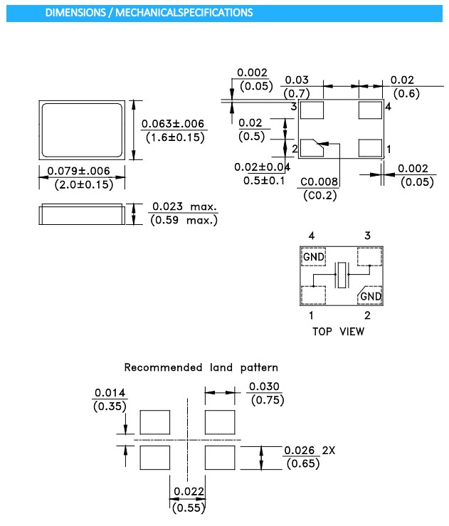
艾爾2016mm晶振,ELM11-16.000MHz-D7X-T,智能穿戴設備晶振,尺寸圖
| 石英晶體諧振器 | 品牌 | 頻率 | 長度 | 寬度 | 高度 |
| ELLS-10.000MHz-20-R60-J-Q-F-T | AEL晶振 | 10 MHz | 12.3mm | 4.6mm | 4.3mm |
| ELLS-12.000MHz-18-R60-A-4-F-T | AEL晶振 | 12 MHz | 12.3mm | 4.6mm | 4.3mm |
| ELLS-13.560MHz-10-R35-A4Y-F-T | AEL晶振 | 13.56 MHz | 12.3mm | 4.6mm | 4.3mm |
| ELLS-30.000MHz-10-R50-B1U-F-T | AEL晶振 | 30 MHz | 12.3mm | 4.6mm | 4.3mm |
| ELLS-4.000MHz-16-R120-A4-F-T | AEL晶振 | 4 MHz | 12.3mm | 4.6mm | 4.3mm |
| ELLS-4.000MHz-16-R120-B1X-F-T | AEL晶振 | 4 MHz | 12.3mm | 4.6mm | 4.3mm |
| ELLS-4.000MHz-30-R120-D4-F-T | AEL晶振 | 4 MHz | 12.3mm | 4.6mm | 4.3mm |
| ELLS-8.000MHz-16-R45-D4-F-T | AEL晶振 | 8 MHz | 12.3mm | 4.6mm | 4.3mm |
| ELM10-16.000MHz-8-R60-2-D20-T | AEL晶振 | 16 MHz | 2.5mm | 2mm | 0.5mm |
| ELM10-24.000MHz-16-R100-X-N15-T | AEL晶振 | 24 MHz | 2.5mm | 2mm | 0.5mm |
| ELM11-32.000MHz-10-R60-D1X-T | AEL晶振 | 32 MHz | 2mm | 1.6mm | 0.5mm |
| ELM3-12.000MHz-30-R80-D4Y-T | AEL晶振 | 12 MHz | 5mm | 3.2mm | 1mm |
| ELM3-14.000MHz-30-R80-D4H-T | AEL晶振 | 14 MHz | 5mm | 3.2mm | 1mm |
| ELM3-24.000MHz-18-R40-D4H-T | AEL晶振 | 24 MHz | 5mm | 3.2mm | 1mm |
| ELM3-8.057MHz-18-R100-B4Y-T | AEL晶振 | 8.057 MHz | 5mm | 3.2mm | 1mm |
| ELM8-12.000MHz-10-R50-D4Y-T | AEL晶振 | 12 MHz | 3mm | 2.5mm | 0.6mm |
| ELM8-12.5829MHz-16-R60-1U-T | AEL晶振 | 12.5829 MHz | 3mm | 2.5mm | 0.6mm |
| ELM8-14.000MHz-16-R150-B1U-T | AEL晶振 | 14.8 MHz | 3mm | 2.5mm | 0.6mm |
| ELM8-18.432MHz-16-R80-DQ-T | AEL晶振 | 18.432 MHz | 3mm | 2.5mm | 0.6mm |
| ELM8-24.000MHz-10-R60-D1W-T | AEL晶振 | 24 MHz | 3mm | 2.5mm | 0.6mm |
| ELM8-24.000MHz-18-R60-B1W-T | AEL晶振 | 24 MHz | 3mm | 2.5mm | 0.6mm |
| ELM8-24.000MHz-9-R40-N1U-T | AEL晶振 | 24 MHz | 3mm | 2.5mm | 0.6mm |
| ELM8-26.000MHz-18-R60-B1U-T | 石英晶振 | 26 MHz | 3mm | 2.5mm | 0.6mm |
| ELM8-32.000MHz-16-R40-B1U-T | AEL晶振 | 32 MHz | 3mm | 2.5mm | 0.6mm |
| ELM8-32.000MHz-9-R40-D1G-T | AEL晶振 | 32 MHz | 3mm | 2.5mm | 0.6mm |
| ELS07-32.768kHz-6-T | AEL晶振 | 32.768 kHz | 3.2mm | 1.5mm | 0.75mm |
| ELS07-32.768kHz-T | AEL晶振 | 32.768 kHz | 3.2mm | 1.5mm | 0.75mm |
| ELS13-32.768kHz-7-T | AEL晶振 | 32.768 kHz | 7mm | 1.5mm | 1.4mm |
| ELS13-32.768kHz-7-T | AEL晶振 | 32.768 kHz | 7mm | 1.5mm | 1.4mm |
| ELS13-32.768kHz-9-T | AEL晶振 | 32.768 kHz | 7mm | 1.5mm | 1.4mm |
| ELS13-32.768kHz-T | AEL晶振 | 32.768 kHz | 7mm | 1.5mm | 1.4mm |
| ELS13-32.768kHz-T | AEL晶振 | 32.768 kHz | 7mm | 1.5mm | 1.4mm |
| ELS25-32.768kHz-6-2-T | AEL晶振 | 32.768 kHz | 8mm | 3.8mm | 2.4mm |
| ELS25-32.768kHz-T | AEL晶振 | 32.768 kHz | 8mm | 3.8mm | 2.4mm |
| ELS25-32.768kHz-T | AEL晶振 | 32.768 kHz | 8mm | 3.8mm | 2.4mm |
| ELS06-32.768kHz-9-T | AEL晶振 | 32.768 kHz | 2mm | 1.2mm | 0.6mm |
| ELS05-32.768kHz-9-T | AEL晶振 | 32.768 kHz | 1.6mm | 1mm | 0.5mm |
| ELM12W-24.000MHz-6-R120-D7X-T | AEL晶振 | 24 MHz | 1.6mm | 1.2mm | 0.4mm |



1、技術支持:全方位技術指導,專業的技術支持讓您感受到前所未有的后顧無憂.
2、客服咨詢:專業的銷售團隊,耐心為您解答任何疑問,讓您的消費得到保障.
3、質量保證,誠信為本,上我司以“以科技為動力,以質量求生存,”為理念.
4、提升業績,降低成本為您的產品量身訂制,免費取樣,為您做到低成本,高效率.
3、質量保證,誠信為本,上我司以“以科技為動力,以質量求生存,”為理念.
4、提升業績,降低成本為您的產品量身訂制,免費取樣,為您做到低成本,高效率.

康比電子聯系方式:
Q Q: 577541227
電 話:0755-27876201
手 機: 13728742863
Email: kangbidz@163.com
網 址: http://www.dl-zp.cn/
地 址: 廣東省深圳市寶安區41區33棟6層
Q Q: 577541227
電 話:0755-27876201
手 機: 13728742863
Email: kangbidz@163.com
網 址: http://www.dl-zp.cn/
地 址: 廣東省深圳市寶安區41區33棟6層










